티스토리 뷰
| Model | Type | Spec. | Circuit |
| IS31BL3506B-STLS2-TR | Boost SOT23-6 1MHz |
In : 2.7~5.5V Out : 2.2A(sw) |
![]() |
| IS31LT3360-SDLS3-TR | Buck SOT89-5 1MHz |
In: 6~40V Out: 40V, 1.2A(sw) |
|
| IS31LT3380-GRLS3-TR | Buck SOIC-8 1Mhz |
In: 8.5~40V Out : 40V, 1.2A(sw) |
|
| IS31LT3954A-GRLS4-TR | Buck SOIC-8 |
In: 4.5~38V Out: 3A |
|
| IS31LT3954-GRLS4-TR | Buck SOIC-8 |
In: 4.5~38V Out: 4.5A |
|
| IS31BL3508 | Boost TSOT23-6 1MHz |
In: 2.7~5.5V Out: 1.6A(sw) |
![]() |
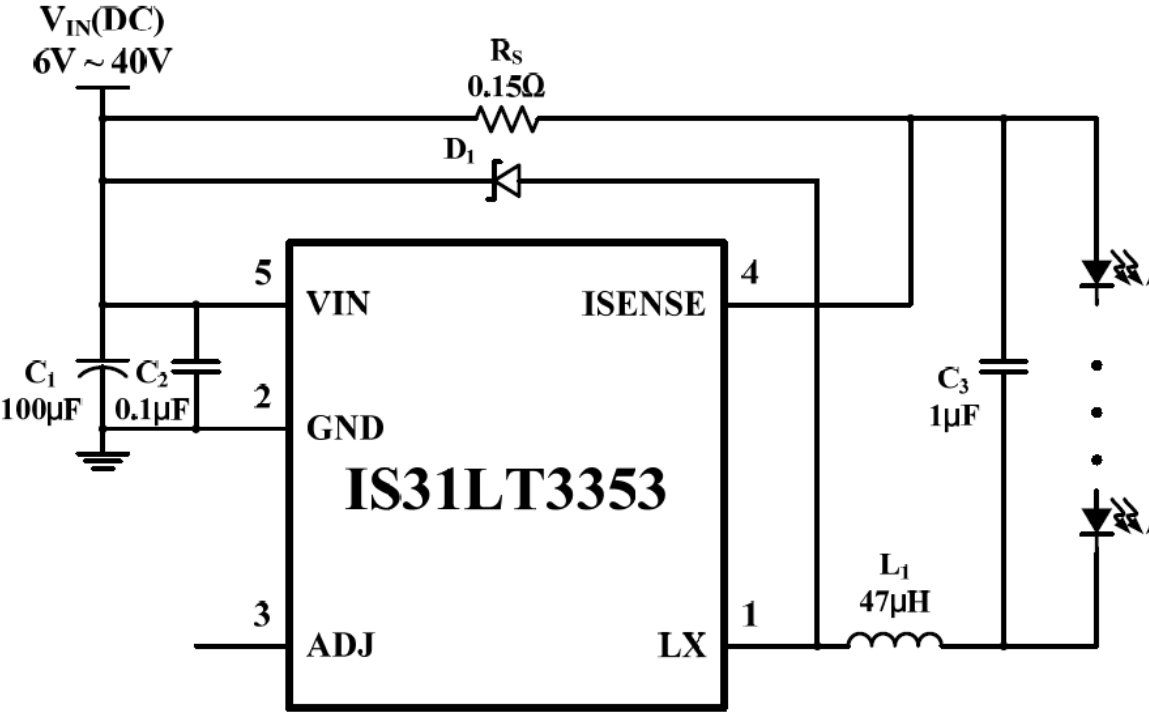
| IS31LT3353 | Buck SOT23-5 1MHz |
In: 6~40V Out: 1.0A |
![]() |
| IS31LT3952 | Buck SOIC-8 |
In: 4.5~38V Out: 3A |
![]() |
반응형
'HWDesk > ElectronicParts' 카테고리의 다른 글
| DC/DC Converter Example - MP24943 (0) | 2021.05.24 |
|---|---|
| Triac - High Current (0) | 2021.04.06 |
| IGBT - Very High Current (0) | 2021.04.01 |
| Diodes - Extremely High Current (0) | 2021.03.30 |
| LED Driver ICs - Diodes Incorporated (0) | 2021.03.28 |
반응형
250x250
최근에 올라온 글
최근에 달린 댓글
- Total
- Today
- Yesterday
링크
TAG
- 허들
- 치매방지
- Innovations&Hurdles
- ServantClock
- Hurdles
- 혁신과허들
- 배프
- 둎
- Innovation&Hurdles
- image
- 혁신
- 심심풀이
- 아두이노
- 절연형
- BSC
- arduino
- BiliChild
- DYOV
- 티스토리챌린지
- 오블완
- 빌리언트
- 빌리칠드
- Video
- 전류
- bilient
- 심심풀이치매방지기
- 치매
- 전압
- Decorator
- Innovations
| 일 | 월 | 화 | 수 | 목 | 금 | 토 |
|---|---|---|---|---|---|---|
| 1 | 2 | 3 | ||||
| 4 | 5 | 6 | 7 | 8 | 9 | 10 |
| 11 | 12 | 13 | 14 | 15 | 16 | 17 |
| 18 | 19 | 20 | 21 | 22 | 23 | 24 |
| 25 | 26 | 27 | 28 | 29 | 30 | 31 |
글 보관함





