티스토리 뷰
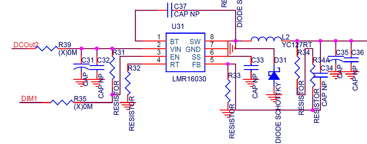
- 벅(Buck), 스텝-다운(Step-down) 컨버터
- 테스트하기 위해 검토 중




Product Attributes [Link]
| Category | Integrated Circuits (ICs) PMIC - Voltage Regulators - DC DC Switching Regulators |
|
| Mfr | Texas Instruments | |
| Series | SIMPLE SWITCHER® | |
| Package | Tube | |
| Part Status | Active | |
| Function | Step-Down | |
| Output Configuration | Positive | |
| Topology | Buck | |
| Output Type | Adjustable | |
| Number of Outputs | 1 | |
| Voltage - Input (Min) | 4.3V | |
| Voltage - Input (Max) | 60V | |
| Voltage - Output (Min/Fixed) | 0.8V | |
| Voltage - Output (Max) | 50V | |
| Current - Output | 3A | |
| Frequency - Switching | 200kHz ~ 2.5MHz | |
| Synchronous Rectifier | No | |
| Operating Temperature | -40°C ~ 125°C (TJ) | |
| Mounting Type | Surface Mount | |
| Package / Case | 8-PowerSOIC (0.154", 3.90mm Width) | |
| Supplier Device Package | 8-SO PowerPad | |
| Base Product Number | LMR16030 |
반응형
'HWDesk > ElectronicParts' 카테고리의 다른 글
| LED Driver Example - MP24833 (0) | 2021.06.07 |
|---|---|
| Characteristics of Diodes (0) | 2021.06.02 |
| WS2811B 테스트(2) (0) | 2021.05.28 |
| WS2811B 테스트 (0) | 2021.05.27 |
| DC/DC Converter Example - MP24943 (0) | 2021.05.24 |
반응형
250x250
최근에 올라온 글
최근에 달린 댓글
- Total
- Today
- Yesterday
링크
TAG
- 빌리칠드
- 혁신
- 허들
- 아두이노
- 심심풀이
- BSC
- 혁신과허들
- Innovations
- 치매
- 전압
- image
- arduino
- 티스토리챌린지
- Video
- BiliChild
- 둎
- 절연형
- 배프
- 오블완
- Hurdles
- 전류
- 심심풀이치매방지기
- Innovations&Hurdles
- Innovation&Hurdles
- 빌리언트
- ServantClock
- DYOV
- 치매방지
- Decorator
- bilient
| 일 | 월 | 화 | 수 | 목 | 금 | 토 |
|---|---|---|---|---|---|---|
| 1 | 2 | 3 | ||||
| 4 | 5 | 6 | 7 | 8 | 9 | 10 |
| 11 | 12 | 13 | 14 | 15 | 16 | 17 |
| 18 | 19 | 20 | 21 | 22 | 23 | 24 |
| 25 | 26 | 27 | 28 | 29 | 30 | 31 |
글 보관함

