티스토리 뷰
HWDesk/HardwareControl
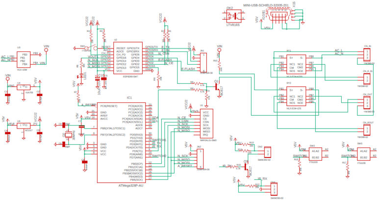
Bluetooth and Switch Controller with ATMega328P-AU
bizmaker 2019. 12. 11. 01:56<Components>
nRF24L01
Switch
ATMega328P-AU
<Schematic>

반응형
'HWDesk > HardwareControl' 카테고리의 다른 글
| MP3 Player, (0) | 2019.12.18 |
|---|---|
| Voltage and Current Measuring Device (1) | 2019.12.18 |
| Voltage and Current Measuring Instrument (2) | 2019.12.10 |
| ESP8266 Programmer with Arduino-UNO (0) | 2019.12.10 |
| Voltage and Current Sensing and Data Transmitter via Bluetooth (15) | 2019.12.01 |
반응형
250x250
최근에 올라온 글
최근에 달린 댓글
- Total
- Today
- Yesterday
링크
TAG
- BiliChild
- Video
- DYOV
- BSC
- 전압
- 오블완
- 배프
- 심심풀이
- 둎
- 절연형
- arduino
- bilient
- 아두이노
- 허들
- 전류
- 빌리언트
- image
- ServantClock
- 티스토리챌린지
- Hurdles
- Innovations
- 빌리칠드
- 치매방지
- Decorator
- 혁신과허들
- Innovation&Hurdles
- 혁신
- Innovations&Hurdles
- 치매
- 심심풀이치매방지기
| 일 | 월 | 화 | 수 | 목 | 금 | 토 |
|---|---|---|---|---|---|---|
| 1 | 2 | 3 | ||||
| 4 | 5 | 6 | 7 | 8 | 9 | 10 |
| 11 | 12 | 13 | 14 | 15 | 16 | 17 |
| 18 | 19 | 20 | 21 | 22 | 23 | 24 |
| 25 | 26 | 27 | 28 | 29 | 30 | 31 |
글 보관함

